meta data voor deze pagina
Teltonika TeltoCharge
De TeltoCharge laadpaal kan geïntegreerd worden in Jullix vanaf firmware versie 1.3.3. Met de integratie zal de laadpaal gestuurd worden door het Jullix energiemanagementsysteem. Laadsessies, laadkosten en laadmodi worden geregeld via het portaal en de Jullix app. De app van de laadpaal zelf heeft geen functie meer.
Om de TeltoCharge laadpaal te kunnen besturen met het Jullix EMS heb je een Virtueel MAC-ID met pop-code nodig. Je kan deze bekomen bij elicity.
Voor de volledige besturing dien je ook een SMART plus abonnement af te sluiten.
Installatie TeltoCharge
Volg de handleiding van de TeltoCharge laadpaal voor het installeren van de laadpaal. Een energiemeter dient niet te worden geïnstalleerd omdat de TeltoCharge laadpaal bestuurd wordt door het Jullix EMS.
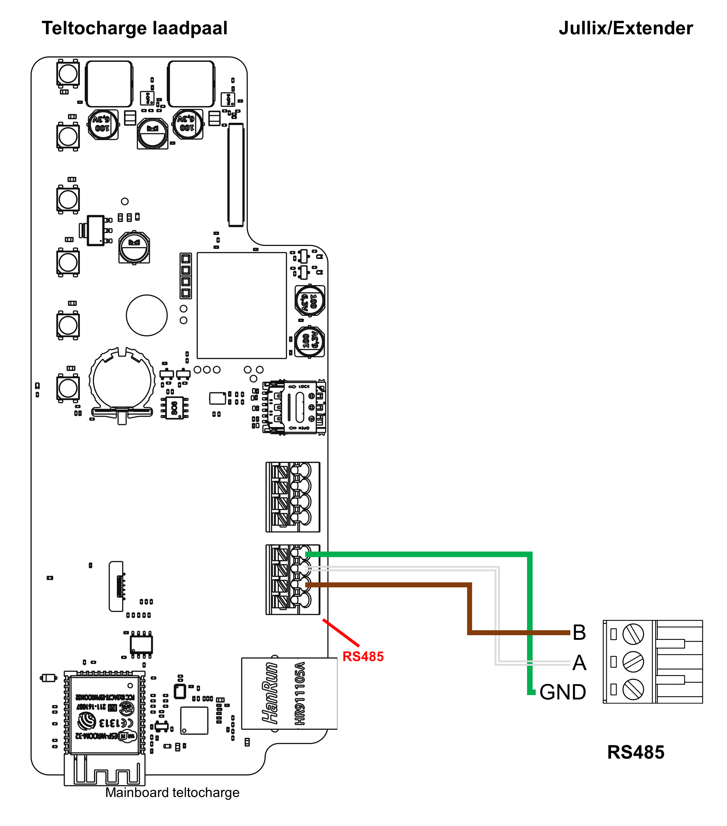
RS485-aansluiting
De TeltoCharge laadpaal wordt via een RS485-verbinding aangesloten aan de Jullix of extender. De dataleiding modbus-RTU wordt aangesloten aan de TeltoCharge RS485-aansluiting op het mainboard van de laadpaal.
Configuratie TeltoCharge
De TeltoCharge laadpaal moet geconfigureerd worden om door de Jullix aangestuurd te worden. Hiervoor installeer je de Teltonika Energy App. In de handleiding van de laadpaal vind je hoe je dat moet doen. In de app maak je verbinding met de laadpaal.
Nadat je verbinding hebt gemaakt met de laadpaal klik je op 1 Instellingen.

Wanneer u de beveiligingsinstellingen heeft ingegeven, gaat u door naar het Installateursmenu 2, en verder naar Belastingsbalancering 3.


U klikt op Modbus RTU meter om vervolgens de Belastingsbalancering UIT te vinken.


U gaat vervolgens terug naar het Installateursmenu en u kiest nu voor Belastingsbeheer 4.

U klikt op Modbus RTU en kiest u voor SECUNDAIR, en vinkt u Secundair apparaat aan, u stelt bij Secundair apparaat ID “1” in.


Bij Geavanceerde instellingen 5 moet u er zeker van zijn, dat baudsnelheid op 9600 staat. Dit staat standaard zo ingesteld.

Jullix/extender Modbus RTU configuratie
Om de TeltoCharge laadpaal in te stellen in het Jullix-EMS, maak je verbinding met Jullix of extender. Via je laptop of smartphone maak je verbinding met het wifi-netwerk van Jullix of extender. De gegevens vind je op de sticker.
Je smartphone of laptop wordt verbonden met het wifi-netwerk van Jullix of extender. Je krijgt de melding dat deze verbinding geen verbinding heeft met het internet: dit is normaal.
Als je verbinding hebt met de Jullix open je een browser op je smartphone of laptop en voer je het webadres in: http://192.168.4.1

Je klikt op Config om de configuratie van Jullix of extender aan te passen.
In de configuratie ga je naar de configuratie van de ModBus-poort waar je de laadpaal hebt aangesloten. Bijvoorbeeld: Step 3: Modbus RTU
Bij Type 1 kies je Charger, en bij Manufacturer 2 kies je Teltonika.
Vervolgens kies je bij Device Model 3 het model van laadpaal: Teltonika TeltoCharge . Bij Connection deails wordt de Modbus communicatie ingesteld:
Bij MODBUS station 4 geef je het modbus-adres op, dit is normaal gezien 1.
Vervolgens moet nog een virtueel MAC-adres ingesteld worden om de TeltoCharge laadpaal te identificeren. Dit Virtuele MAC-ID is absoluut noodzakelijk om de laadpaal via Jullix te kunnen besturen. Bij Virtual MAC Enable je dit en vul je het Virtual MAC 5 met bijhorende POP code 6 in.
Via Apply 7 wordt de verbinding gemaakt. Als de gegevens juist zijn ingevuld wordt dit bevestigd.

De Virtuele MAC-ID's die nodig zijn voor de slimme besturing van de laadpaal kan je bekomen bij Elicity. Elke laadpaal heeft een uniek 'Virtueel' MAC-ID nodig voor identificatie van de data en om deze te kunnen besturen. Je kan een virtueel MAC-ID maar één keer gebruiken.
TeltoCharge laadpaal toevoegen en claimen
Nadat de TeltoCharge-laadpaal is geïnstalleerd, geconfigureerd en gekoppeld met Jullix, moet de laadpaal ook nog worden toegevoegd aan de installatie in het portaal, dit gebeurt in 2 stappen. Eerst moet je op het portaal van de installatie bij Configuratie via 1, Apparaten (2) de TeltoCharge laadpaal via het Virtuele MAC-ID claimen. Dit doe je door bij Claim apparaat bij MAC-id het virtuele MAC-ID in te geven (3), bij POP-code (4) geef je bijhorende de POP-code in. Door te klikken op het plusteken (5) wordt het MAC-ID en de POP-code gecontroleerd.
Als MAC-ID en POP-code overeenkomen en het apparaat is geclaimd(1) dan komt er een pop-up venster met de vraag of je het apparaat wil toevoegen aan de installatie. Kies Ja (2) om de TeltoCharge laadpaal toe te voegen aan je installatie.

Als het apparaat is toegevoegd zie je de laadpaal in de apparaatlijst verschijnen (1), je ziet dat het een virtuele laadpaal is (2) is. Je kan eventueel de naam en beschrijving nog aanpassen in het menu (3) kies je Bewerken.


Als de laadpaal is toegevoegd aan de installatie kan de laadpaal verder ingesteld worden, op het portaal via Configuratie bij ev-stationLaadpaal.
